-
微波、不分光紅外線、工頻場強檢測儀
-

產品名稱:ML-91VA 微波漏能儀
所屬分類:微波、不分光紅外線、工頻場強檢測儀
產品概述:?一、概述? ? ? ML-91VA是江蘇精誠無線電儀器有限公司最新研制的一款微波漏能儀。精誠無線電儀器有限公司前身為國營宿遷無線電廠,專注微波漏能儀的研制生產40年,ML-91VA是其繼RL761、
全國統一服務熱線:17361773333

一、概述
ML-91VA微波漏能測試儀是其繼RL761、ML-91后的又一升級產品。該產品采用美國最新的高性能檢波芯片、雙探頭寬帶全向天線,并對檢測到的信號做了性能優化算法,結合現代單片機技術使該產品在檢測靈敏度、動態范圍、檢測精度、頻率范圍、全向性、響應時間等方面都有了極大的提升。能完全滿足手機基站、wifi熱點、微波爐、工業和軍事微波設備的泄露測試,特別是在醫療衛生、勞動保護、環境檢測領域用途非常廣泛。
ML-91VA作為ML-91的升級版,其功能完全涵蓋ML-91,除性能指標大幅提升之外,還加設了常用頻率點的精測設計,使操作更為簡便。
二、安全事項
使用該儀器以前,請先認真閱讀說明書。
1. 禁止在超過探頭便簽上標明的量程極限值20mW/cm2下使用, 在大功率輻射場條件下,請開啟儀器,由遠及近接近輻射中心,并觀察儀器顯示度數,若度數超過極限值請關閉儀器。
2.該儀器配備9V干電池,電池用完后請購買相同規格的電池,更換電池前請關閉電源,電池長期不使用請取出后存放。
3.該儀器同時配有9V 電源適配器,請勿同時使用電源適配器和9V干電池供電
4. 更換探頭前,請關閉儀器電源。
5. 請勿自行拆卸探頭和儀表。
三、特性
(一)一般特性:
1. 顯示方式:LCD液晶5位顯示。
2. 工作環境:-10℃~40℃,相對濕度小于80%。
3. 低電壓顯示:LCD屏幕顯示“EEEEE”符號時請更換電池。
4. 電源:9V電池一只、電源適配器一個
5. 體積:165*87*45mm(儀表長寬高),110*65mm(探頭長和直徑)
6. 重量:約1000g。
(二)技術特性
1. 工作頻段:A探頭:0.9GHz-6GHz(標配)B探頭:6—10GHz(選配)軍用波段研發中
2. 檢測功率密度動態范圍:53dB(0.1um/cm2-20wm/cm2)。
3. 檢測精度:全動態范圍內測試誤差小于±0.3dB,比上代產品精度提高2.5倍。
4. 響應時間:小于50ms,能響應連續波普及各類脈沖波普。
5. 自動報警預置:大于5mw/cm2時報警(可根據用戶需求更改)。
6. 針對常用特定頻點有獨立測試按鈕1.8GHz/2.45GHz/4.8GHz,測試精度更高,且可根據用戶需求制定特定頻點。
7. 自動調零功能:在有環境輻射干擾環境下,可按下自動調零按鈕消除環境輻射干擾影響
四、儀器使用方法
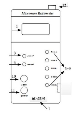
(一)操作面板說明blob.png
1. 型號欄
2. 液晶顯示器3. 綠色發光二極管,顯示uW/cm2檔位
4. 紅色發光二極管,顯示mW/cm2檔位
5-9. 分別為探頭A、探頭B、1.8GHz、 2.45GHz、4.8GHz頻率選擇按鈕,按鈕按下停頓兩秒,單位顯示燈熄滅后亮起即為選中
10. 清零按鈕
11. 電源開關
12. 連接探頭用航空接頭
(二)功率密度測量操作說明(參照圖2)
第一步:請根據自己測試頻段要求選擇探頭A或B,并與儀表連接。
第二步:按下開關按鈕,儀器進入測量模式。
第三步:當測試頻率為特定頻點1.8GHz/2.45GHz/4.8GHz或特定頻點附近的窄帶信號時,請按下頻率指示按鈕;其它情況根據頻率范圍按下probe A按鍵或probe B按鍵。
第四步: 觀察LCD顯示屏幕上顯示的功率值,功率單位由指示燈顯示,綠燈亮時代表uW/cm2檔,紅燈亮時代表mW/cm2檔。
第五步:若測試環境為屏蔽暗室時,儀器會顯示讀數0 um/cm2;若測試環境不是屏蔽環境,請按下清零按鈕,消除環境輻射干擾
第六步:開啟被測設備,水平旋轉探頭,讀取屏幕顯示的最大輻射值
-
上一篇:EMF-839 型高頻電場分析
下一篇:ML-91 微波漏能檢測儀

-
